





AZCL系列智能集成式諧波抑制電力電容補償裝置是應用于0.4kV、50Hz低壓配電中用于節省能源、降低線損、提高功率因數和電能質量的新一代無功補償設備。其中串接7%電抗器的產品使用于主要諧波為5次、7...
立即咨詢AZCL系列智能集成式諧波抑制電力電容補償裝置是應用于0.4kV、50Hz低壓配電中用于節省能源、降低線損、提高功率因數和電能質量的新一代無功補償設備。其中串接7%電抗器的產品使用于主要諧波為5次、7次及以上的電氣環境,串接14%電抗器的產品使用于主要諧波為3次及以上的電氣環境。
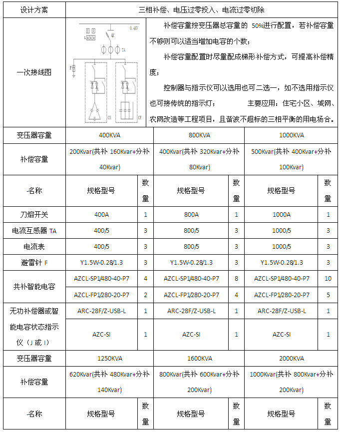
應用于0.4kV、50Hz低壓配電系統。
具體型號:AZCL-SP1/480-50-P7
技術要求:共補,7%電抗率,銅芯
通訊協議:無
輔助電源:無